Unggulan
- Dapatkan link
- X
- Aplikasi Lainnya
Murray 13b326jc758 Parts Diagram
Need parts for your model 13B326JC758 - Murray Lawn Tractor. 1-16 of over 2000 results for murray lawn mower parts Maxpower 561298B Blade Set 42 Cut Replaces Murray OEM No.

Murray 13b326jc758 Murray Lawn Tractor 2016 Electrical Parts Lookup With Diagrams Partstree
Repair Parts Home Lawn Equipment Parts Murray Parts Murray Lawn Tractor Parts Murray 13B326JC758 2015.

Murray 13b326jc758 parts diagram. It is EASY and FREE. The Murray customer support portal is designed to help you answer any questions you may have about your Murray push mower or riding mower. Murray Riding Lawn Mower Model 13AC26JD058.
There are 218 parts used by this model. Your outdoor power equipment was built to be operated according to the rules and instructions for safe operation which are contained in the. If you know the model number of your Murray product enter it in the search window below to locate Operators Manuals Illustrated Parts Lists and Wiring Diagrams.
095101E701 9241892418E701 215 x 225 x. Parts diagrams and manuals available. The Operators Manual is an important part of your new outdoor power equipment.
Parts Lookup - Enter a part number or partial description to search for parts within this model. Complete exploded views of all the major manufacturers. Ryobi 13B326JC758 2015 Parts Diagrams.
All orders placed before 5 pm ship next day. Parts Lookup - Enter a part number or partial description to search for parts within this model. 22208 FUEL STABILIZE 8 O 1131.
MTD 13B326JC758 2015 Drive System Exploded View parts lookup by model. It is EASY and FREE. Complete exploded views of all the major manufacturers.
MTD 13B326JC758 2014 Wiring Schematic Exploded View parts lookup by model. Find parts for your Murray Riding Lawn Mower Model 13B326JC758. Need to fix your 13A326JC058 2013 Mini-Rider.
There are 219 parts used by this model. Free shipping on parts orders over 45. Search For Your Product Manual Enter the model number in the search box below to obtain manuals replacement part lists for your product.
Departments Accessories Appliance Parts Exercise. We have the OEM parts that youre looking for. Use our part lists interactive diagrams accessories and expert repair advice to make your repairs easy.
It will help you assemble prepare maintain and safely operate your machine. We have manuals guides and of course parts for common 13B326JC758 problems. Find Your Murray Model Number Model Numbers on Murray riding lawn mowers are found on the back of the mower or under the seat.
Parts orders over 50 ship free. Use our part lists interactive diagrams accessories and expert repair advice to make your repairs easy.

Ryobi 13b326jc758 2015 Parts Diagrams

Murray Riding Lawn Mower Model 13b326jc758 Mtd Parts

Murray 13b326jc758 Murray Lawn Tractor 2016 Fender Parts Lookup With Diagrams Partstree

Ryobi 13b326jc758 2015 Parts Diagrams
![]()
Murray 13b326jc758 Murray Lawn Tractor 2014 Parts Lookup With Diagrams Partstree

Ryobi 13b326jc758 2016 Parts Diagrams
Murray 13b326jc758 2016 Partswarehouse

Ryobi 13b326jc758 2016 Parts Diagrams

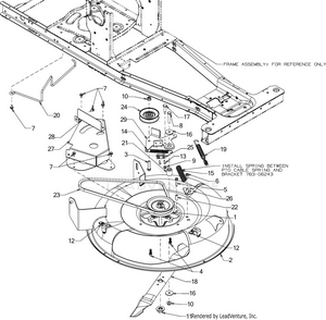
Mtd 13b326jc758 2014 Parts Diagram For Mower Deck
![]()
Murray 13b326jc758 Murray Lawn Tractor 2014 Parts Lookup With Diagrams Partstree

Ryobi 13b326jc758 2015 Parts Diagrams

Ryobi 13b326jc758 2016 Parts Diagrams

Ryobi 13b326jc758 2015 Parts Diagrams

Ryobi 13b326jc758 2015 Parts Diagrams

Murray 13b326jc758 Murray Lawn Tractor 2016 Telescoping Steering Parts Lookup With Diagrams Partstree

Ryobi 13b326jc758 2015 Parts Diagrams

Mtd 13b326jc758 2015 Parts Diagram For Pedal Controls

Murray 13b326jc758 Murray Lawn Tractor 2016 Manual Pto Parts Lookup With Diagrams Partstree

Ryobi 13b326jc758 2015 Parts Diagrams
- Dapatkan link
- X
- Aplikasi Lainnya
Postingan Populer
Standard Brick Size In Bangladesh
- Dapatkan link
- X
- Aplikasi Lainnya
Komentar
Posting Komentar